Includes programs: ScanDoc, MotoDoc 3, MotoDoc 2, Clients, Supports.
| The installation file | Date | Size |
|---|---|---|
| Setup.exe | 12.11.2020 | 421 Mb |
| Setup.exe | 09.10.2020 | 423 Mb |
| Setup.exe | 19.02.2020 | 420 Mb |
| Setup.exe | 26.11.2019 | 419 Mb |
| Setup.exe | 08.09.2019 | 412 Mb |
| Adapter | Size | Format |
|---|---|---|
| ScanDoc Compact v.1 (in a long plastic case) |
7.1 Mb. |
| Unit | Size | Format |
|---|---|---|
| ScanDoc | 163 Kb. | ZIP archive |
| MotoDoc 3 | 121 Kb | ZIP archive |
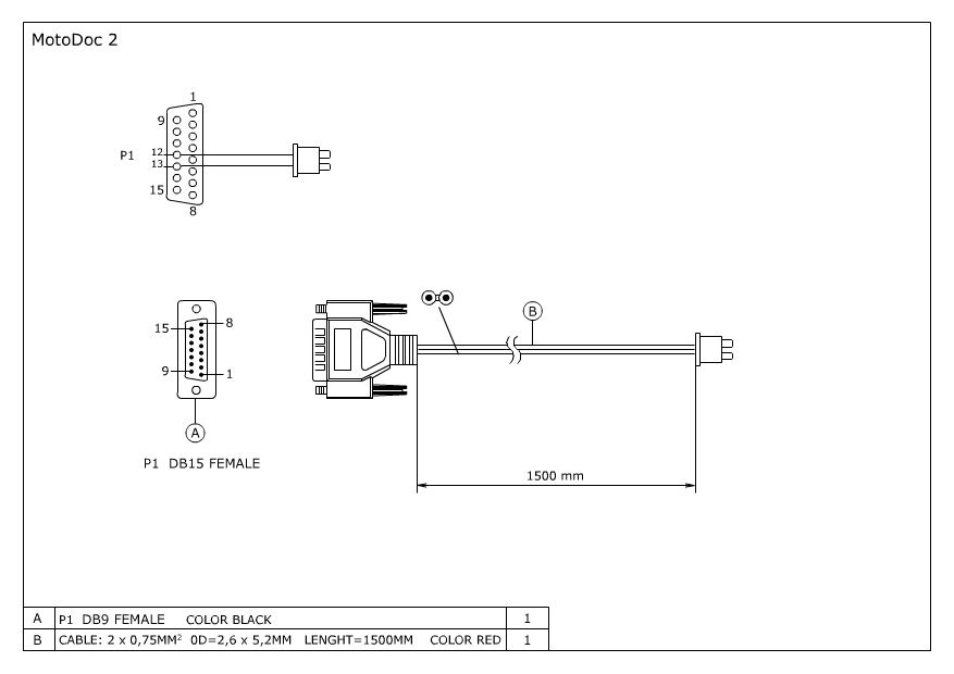
| MotoDoc 2 | 247 Kb | ZIP archive |
| Pressure sensor for MotoDoc 2 | 32 Kb | ZIP archive |